- Условный проход: 25 мм
- Давление на входе, ном : 25 (+-1) Мпа
- Максимально допустимое давление на сливе: 2 Мпа
- Расход рабочей жидкости, ном: 250(+-15) л/мин
- Максимальное давление настройки предохранительных клапанов: 30 Мпа
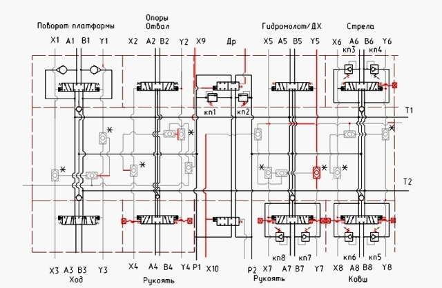
- Количество секций:
- - центральные секции 2
- -рабочие 8
- Номинальный перепад давления для прямого и обратного потока при рабочей позиции золотника: 0,8 Мпа
- Усилие, необходимое для перемещения золотника из нейтральной позиции в рабочее: 320 Н
- Время срабатывания: 0,5 С
- Масса гидрораспределителя: 250 кг
- Температура окружающей среды:
- -максимальная +45
- - минимальная -60
- Применяемость: ЕТ-25, ЕК-14, ЕК-12
Информация для заказа
- Цена: от 1 руб.



