- Нерегулируемый аксиально-поршневой гидронасос 310.4.80.03.06
- Серия: 310
- Рабочий объем: 80 см³
- Тип: нерегулируемый
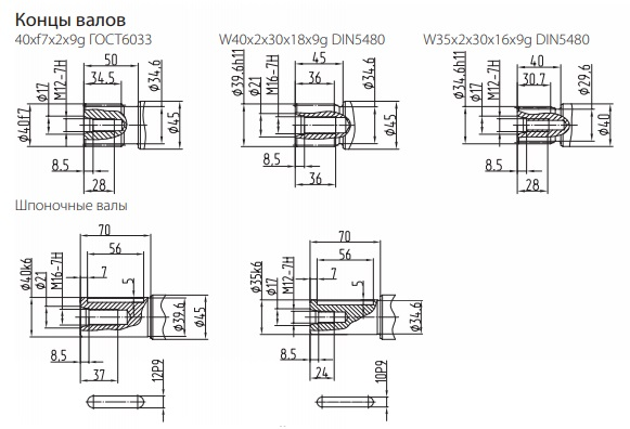
- Исполнение вала: шлицевое, правое вращение
- Диаметр вала: 40 мм
- Вес: 19 кг Применение гидронасоса 310.4.80.06.06 на технике
- Экскаваторы типа ЕТ-4322 ОАО “Мотовилихинские заводы” г. Пермь;
- Гидроманипуляторы типа ОМТЛ-97, ОМТЛ-97-04, ОМТЛ-120-01 ООО “Велмаш – С” г. Великие Луки;
- Гидроманипуляторы типа МУГ-80-74, VPL-90-76,VPL-90-86 ОАО “Великолукский завод “Лесхозмаш” ;
- На бурильно-крановые машины БКМ-317А, БКМ-515А, БКМ-516А, БКМ-534А, БКМ-531А в составе насосного агрегата 223.2.80.320.41 ОАО “Стройдормаш” г. Алапаевск Свердловской области;
- Машина бурильно-шнекова МБШ-518ОАО “Стройдормаш” г. Алапаевск Свердловской области;
Информация для заказа
- Цена: от 1 руб.





