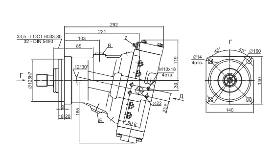
- Регулируемый аксиально-поршневой гидронасос 313.3.55.557.403
- Серия: 313
- Рабочий объем: 55 см³
- Тип: регулируемый
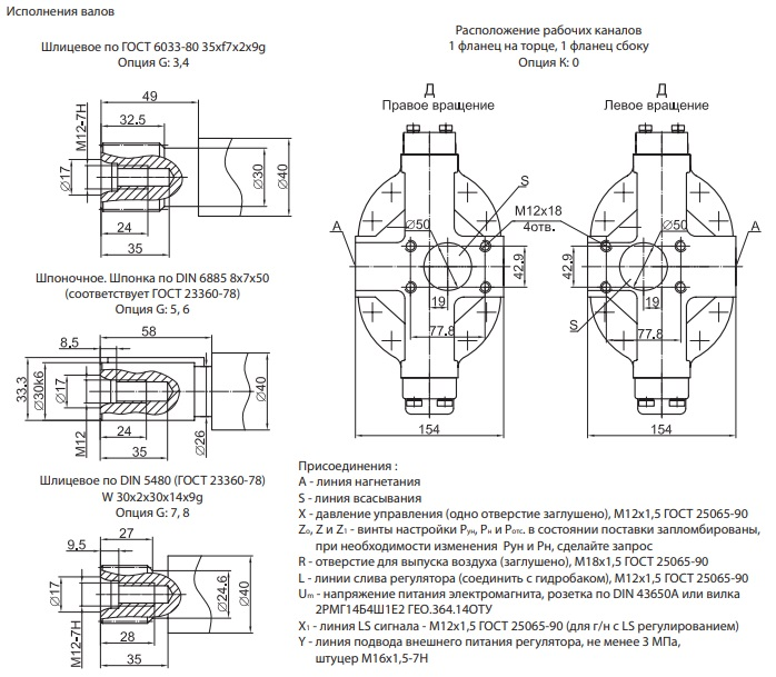
- Исполнение вала: шлицевое, левое вращение
- Параметры:35xf7x1,5x9g ГОСТ 6033-80
- Диаметр вала: 35 мм
- Вес: 24 кг
Применение: - Экскаваторы типа ЭО-4225А-07, ЭО-4225А-06, ЕК-270, ЭО-43211, ЭО-6123;
- Валочно-пакетирующие машины: ЛП-19В, ВПМ, МЛ-119А, ВП-05;
- Асфальтоукладчики: ДС-196, АГ-7,5, АК-7,5;
- Погрузчики: ТО-27, ТО-28, ТО-18Б, ТО-18Д, Амкодор-322, Амкодор-208, ПК-032, ТМ-3А, ДЗ-133, ТО-49, ВП-0501, ТО-40С;
- Строительная и коммунальная техника , шахтное оборудование;
- Автокраны: КС-4574, КС-45719, КС-55713, КС-3575, КГС-28.01, КС-6476, КС-45716, КС-5476, КС-6973, КС-45717, КС-35714, КС-45717;
- Дорожные катки: ВА-9, ВГ-12, ВГ-1202, ВА-9002, ВА-252, ВА-6122.
Информация для заказа
- Цена: от 1 руб.




