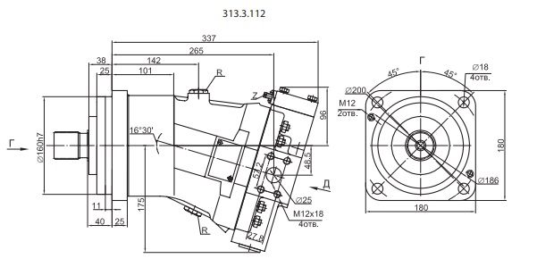
- Регулируемый аксиально-поршневой гидронасос 313.3.112.507.403
- Серия: 313
- Рабочий объем: 112 см³
- Тип: регулируемый
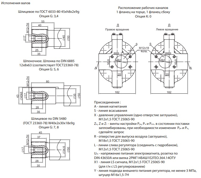
- Исполнение вала: шлицевое, левое вращение
- Параметры: 45хf7x2x9g по ГОСТ 6033-80
- Диаметр вала: 45 мм
- Вес: 37 кг
- Гидромотор 303.3.112.501 применяется на строительно-дорожной технике, в том числе на:
– Экскаваторах: ЭО-4225А-07, ЭО-4225А-06, ЕК-270, ЭО-43211, ЭО-6123;
– Дорожных катках: ВА-9, ВГ-12, ВГ-1202, ВА-9002, ВА-252, ВА-6122;
– Автокраны: КС-37719-3; КС-45719; КС-55713; КС-3575A; КС-4574; КрАЗ 65101; КрАЗ 53212; КС-35714; КС-5717-1
– Экскаваторы: ЭО-43212; ЕК-14; ЕК-12; ЕК-18
– Автогрейдеры: ДЗ-122; ДЗ-180; ДЗ-98В; ДЗ-140
– Автомобили: БелАЗ 79215; БелАЗ 7530; БелАЗ 7920; БелАЗ 7924; БелАЗ 78202
– Бульдозеры: ДЗ-240С; ПФС-075
Информация для заказа
- Цена: от 1 руб.




