+375 (29) 644-00-99
- +375 (29) 553-91-65
- +375 (17) 215-01-08
- +375 (17) 215-01-09
- +375 (17) 215-01-12
Заказ только по телефону
-
День Время работы Перерыв Понедельник 08:30 - 18:00 Вторник 08:30 - 18:00 Среда 08:30 - 18:00 Четверг 08:30 - 18:00 Пятница 08:30 - 18:00 Суббота Выходной Воскресенье Выходной * Время указано для региона: Беларусь, Минск
- ул. Франциска Скорины 54А,оф. 401, Минск, Беларусь+375 (29) 644-00-99+375 (29) 553-91-65+375 (17) 215-01-08+375 (17) 215-01-09+375 (17) 215-01-12
возврат товара в течение 14 дней по договоренности
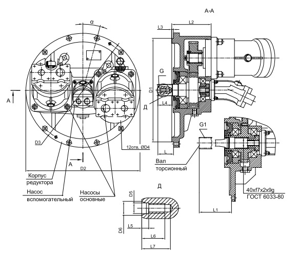
- Состав: 313.3.56.50.04 (2 шт); 310.12.00(1 шт)
- Применение: экскаватор ЭО-3323А
- Рабочий объем: 56 см³ + 56 см³ + 12 см³
- КПД полный: 0,90
- Мощность номинальная потребляемая: 27 - 85 кВт
- Направление вращения: правое
- Потребляемый крутящий момент: 155 - 370 Нм.
- Исполнение вала: внутренние шлицы под торсионный вал
- Вес: 80 кг
- Товары и услуги
- ЗАПЧАСТИ АМКОДОР
- ЗАПЧАСТИ МТЗ
- ЗАПЧАСТИ МАЗ
- ЗАПЧАСТИ ДВИГАТЕЛЯ
- СИСТЕМА ПИТАНИЯ
- СИСТЕМЫ ВЫПУСКА ОТРАБОТАВШИХ ГАЗОВ
- СИСТЕМА ОХЛАЖДЕНИЯ
- МЕХАНИЗМ ПЕРЕКЛЮЧЕНИЯ ПЕРЕДАЧ
- СЦЕПЛЕНИЕ
- КОРОБКА РАЗДАТОЧНАЯ
- ПЕРЕДАЧА КАРДАННАЯ
- МОСТ ПЕРЕДНИЙ
- МОСТ СРЕДНИЙ
- МОСТ ЗАДНИЙ
- СЕДЕЛЬНОЕ УСТРОЙСТВО
- РАМА
- ПОДВЕСКА
- ОСЬ ПЕРЕДНЯЯ
- КОЛЁСА И СТУПИЦЫ
- РУЛЕВОЕ УПРАВЛЕНИЕ
- МЕХАНИЗМ ПОДЬЕМА КУЗОВА
- ПЛАТФОРМА
- ОПЕРЕНИЕ
- СИСТЕМА ТОРМОЗНАЯ
- ЭЛЕКТРООБОРУДОВАНИЕ
- ПРИБОРЫ
- КОРОБКА ОТБОРА МОЩНОСТИ
- РАЗДЕЛЬНО АГРЕГАТНАЯ СИСТЕМА
- КАБИНА
- ДВЕРЬ КАБИНЫ
- ВОДИТЕЛЬСКОЕ СИДЕНЬЕ
- ОТОПЛЕНИЕ И ВЕНТИЛЯЦИЯ
- ПРИНАДЛЕЖНОСТИ КАБИНЫ
- ЗАПЧАСТИ К СЕЛЬСКОХОЗЯЙСТВЕННОЙ ТЕХНИКЕ
- ЗЕРНОУБОРОЧНЫЕ КОМБАЙНЫ КЗС-10,КЗС-1218
- КОРМОУБОРОЧНЫЙ КОМБАЙН КВК-800
- КОРМОУБОРОЧНЫЕ КОМБАЙНЫ КГ-6,КПК-3000,УЭС 2-250
- КОСИЛКА КПР-9
- КУКУРУЗНЫЕ ЖАТКИ КОК-6,КОК-8
- ДИСКОВЫЕ КОСИЛКИ КДЛ-2.71, КДЛ-3.14
- CLAAS JAGUAR
- КОРМОУБОРОЧНЫЙ КОМБАЙН КВК-8060, FS8060
- ЗАПЧАСТИ ДЛЯ СЕЛЬСКХОЗЯЙСТВЕННОЙ ТЕХНИКИ РАЗНОЕ
- CLAAS LEXION
- ДВИГАТЕЛИ И КОМПЛЕКТУЮЩИЕ
- ГИДРАВЛИЧЕСКОЕ ОБОРУДОВАНИЕ
- РЕМОНТ И ОБМЕННЫЙ ФОНД
- ЗАПЧАСТИ К СПЕЦИАЛЬНОЙ ТЕХНИКЕ
- О нас
- Отзывы
- Статьи
Контакты
Информация для покупателя
ООО"ДетальРемСервис"
220141 г. Минск, ул. Франциска Скорины 54А, офис 401
Дата регистрации в Торговом реестре/Реестре бытовых услуг: Не подлежит занесению в реестр
Номер в Торговом реестре/Реестре бытовых услуг: Не подлежит занесению в реестр, Республика Беларусь
УНП: 193503761
Регистрационный орган: Минский горисполком
Дата регистрации компании: 03.02.2021
Режим работы:
| День | Время работы |
|---|---|
| Понедельник | 08:30-18:00 |
| Вторник | 08:30-18:00 |
| Среда | 08:30-18:00 |
| Четверг | 08:30-18:00 |
| Пятница | 08:30-18:00 |
| Суббота | Выходной |
| Воскресенье | Выходной |





